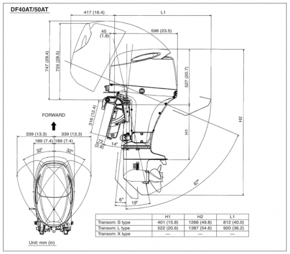
Човновий мотор Suzuki DF-50ATS
Випускається підвісний мотор з дистанційним управлінням, електрозапуском, електрогідропод'ёмом з короткою "ногою" - Suzuki DF 50 ATS. До речі кажучи, далеко не всі фірми-виробники човнових моторів пропонують чотиритактні мотори такої потужності з коротким дейдвудом. Пропонується також мотор з довгою "ногою" - Suzuki DF 50 ATL.
У моторах використовуються багато розробки та інновації, вперше впроваджені Suzuki за останні десят років в індустрії виробництва чотиритактних підвісних човнових моторів. Серед них можна відзначити і вперше застосовану на моторох цього класу ланцюг приводу газорозподільного механізму, якій не потрібно обслуговування і регулювання в перебігу тривалого періоду часу.











































































































































































































